Home › Unlabelled ›
Microcontroller Based Home Security System Circuit Diagram : 9 Burglar Alarm Circuit Ideas Electronics Projects Circuits / It is connected to a pir motion sensor, a buzzer, a resistor, and a pair of external terminals.
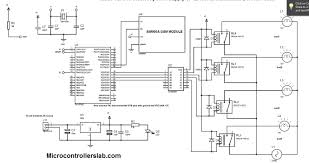
Microcontroller Based Home Security System Circuit Diagram : 9 Burglar Alarm Circuit Ideas Electronics Projects Circuits / It is connected to a pir motion sensor, a buzzer, a resistor, and a pair of external terminals.. You should also know about which at commands of sim900a are used to sens sms and which at commands are used to make call. General block diagram of the proposed microcontroller based home security system has been shown in figure 1. The microcontroller based security system with intruder position display is a design that applies automated security system in homes, industries, military etc. S1 and s2 are the two switches that are used in the circuit so that both can be put in two different places i.e. It works off a 12v power supply (connected across con2).
It consists of three sections. The following block diagram shows the home security system by using the 8051 microcontroller. Code gsm based home security system. It mainly consists of following blocks: S1 and s2 are the two switches that are used in the circuit so that both can be put in two different places i.e.
Digital Alarm Clock With 8051 89c51 Microcontroller from www.engineersgarage.com This transmitter is to apply in the theft detection module with the help of the one transmitter and one receiver. We can add a temperature sensor and a lpg gas sensor in this project. Programming is not an easy stuff for every one , and when it comes to program a microcontroller it becomes more complex to write a code for desired output if you are not familiar with the basics of programming. A microcontroller (also mcu or µc) is a small computer on a single integrated circuit consisting of a relatively simple cpu combined with support functions such as a crystal oscillator, timers, and watchdog, serial and analog i/o etc. This intruder alarm or burglar alarm circuit is based on pir sensor, um3561 and speaker. Microcontroller based smoke alarm system 7. Hex file of the microcontroller code; The designed & developed system can be installed in the home.
The circuit diagram for this pic based alarm clock project is shown below, which was created using the proteus software.
As the number of crimes are. Programming is not an easy stuff for every one , and when it comes to program a microcontroller it becomes more complex to write a code for desired output if you are not familiar with the basics of programming. The function of each and every component of this project is discussed below. Microcontroller program in assembly language; The circuit design needed for an embedded microcontroller can be a little overwhelming. Datasheets of all the components / ics used in the project; Ultrasonic radar alarm circuit diagram: Ir on/off switch using a pic12f629 microcontroller: Burglar alarm system is an important part of home security systems. Digital alarm with 8051(89c51,89c52) microcontroller is a comprehensive project. The will also be used for simulation further in this project. Code for this project is written using mikro c for pic. Arduino then decides what to do next with the inputs from pir and door sensor.
Ir on/off switch using a pic12f629 microcontroller: It can also send text message to one of the numbers. Code for this project is written using mikro c for pic. Build an ibutton electronic lock based around a at91c2051 microcontroller (includes asm source code) alarms: 4.2 circuit diagram of project.
Free 8052 Microcontroller Based Projects Fingerprint Based Security System from www.8051projects.info Ultrasonic radar alarm circuit diagram: General block diagram of the proposed microcontroller based home security system has been shown in figure 1. Burglar alarm system is an important part of home security systems. The five push buttons will act as an input for setting the alarm for the required time. Arduino then decides what to do next with the inputs from pir and door sensor. It consists of three sections. It can also send text message to one of the numbers. The will also be used for simulation further in this project.
Code for this project is written using mikro c for pic.
It works off a 12v power supply (connected across con2). Microcontroller based smoke alarm system 7. Pull pin security alarm circuit. The following block diagram shows the home security system by using the 8051 microcontroller. Pdf | provision of adequate security system in nigeria has become one of the major challenges due to the level of insurgency that is increasing at an. Pir sensor used here to detect body motion and um3561 & speaker to produce police siren after any movement detection. The will also be used for simulation further in this project. Ultrasonic radar alarm circuit diagram: Future development for pic microcontroller based smoke detector and fire alarm system: Microcontroller based home security system. An arduino microcontroller (mcu) requires only 5v but a gsm modem. 5 zone alarm circuit circuit diagram: Where ir transmitter and receiver modules work for the safety of doors from the thief in case we are out of the home.
4.2 circuit diagram of project. Datasheets of all the components / ics used in the project; The required components of this 8051 microcontroller based digital clock circuit with lcd display mainly include lcd display, at89c51 microcontroller, preset, piezo buzzer and speaker. 8051 development system circuit board circuit diagram: Fire alarm system using avr microcontroller 8.
Home Security System from people.ece.cornell.edu This transmitter is to apply in the theft detection module with the help of the one transmitter and one receiver. Microcontroller based on fire alarm system 9. It works off a 12v power supply (connected across con2). A microcontroller (also mcu or µc) is a small computer on a single integrated circuit consisting of a relatively simple cpu combined with support functions such as a crystal oscillator, timers, and watchdog, serial and analog i/o etc. Where ir transmitter and receiver modules work for the safety of doors from the thief in case we are out of the home. The circuit diagram for this pic based alarm clock project is shown below, which was created using the proteus software. Fire alarm system using avr microcontroller 8. Pir motion detector and magnetic door switch sends their respective status to arduino.
The security system can dial up to two phone numbers to alert you.
General block diagram of the proposed microcontroller based home security system has been shown in figure 1. In this system, an lcd is connected to the port1 of the microcontroller; Home automation and safety via gsm remote. Microcontroller based home security system. You should also know about which at commands of sim900a are used to sens sms and which at commands are used to make call. This security system project is one of the important sensor based projects for ece. A microcontroller (also mcu or µc) is a small computer on a single integrated circuit consisting of a relatively simple cpu combined with support functions such as a crystal oscillator, timers, and watchdog, serial and analog i/o etc. 2) the main advantage is this mini project is low cost smoke detection detector circuit. Build an ibutton electronic lock based around a at91c2051 microcontroller (includes asm source code) alarms: This transmitter is to apply in the theft detection module with the help of the one transmitter and one receiver. Component list and cost incurred 4. It mainly consists of following blocks: 8051 microcontroller based digital alarm clock with lcd display.